Hallo Leute
Es ist wieder soweit.
Die Planungen für den nächsten umbau sind fertig.
Nun brauche ich aber eure Hilfe.
Ich brauche eine Schaltung die wenn ich einen Schalter betätige ,im abstand von ein paar millisecunden , die LEDs nacheinander einschaltet.
Die LEDs sollten dann auch eingeschaltet bleiben bis ich den schalter wider betätige.
So eine art Landebahn licht.
Könnt ihr mir Helfen?????
Danke schon mal im voraus
LED Lauflicht / Landebahn
Moderator: T.Hoffmann
- Elektronikmann
- Ultra-User

- Beiträge: 844
- Registriert: Mo, 19.03.07, 10:37
- Wohnort: Mainz
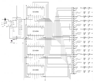
Damit kann ich dienen. Habe die Schaltung noch nicht nachgebaut. Ist mit herkömmlichen ICs zu realisieren aber sehr aufwendig.MfG
Einmal Layout: Einmal Schaltplan: Zeichnung ist nicht so schön. Hier der Link:http://www.bader-frankfurt.de/elek/flugleitled.gif
Einmal Layout: Einmal Schaltplan: Zeichnung ist nicht so schön. Hier der Link:http://www.bader-frankfurt.de/elek/flugleitled.gif

