Probleme mit meiner schaltung

Fragen zu Schaltungen, Elektronik, Elektrik usw.

Moderator: T.Hoffmann

Antworten
Babapapa
User
User
Beiträge: 29
Registriert: Sa, 14.04.07, 22:46
Kontaktdaten:

Sa, 09.06.07, 15:36

Hallo allerseits
ich habe ein problem mit meinem schaltplan und zwar hatte ich vor eine Mausefalle zu bauen und zwar mit hilfe einer Lichtschranke mit einer infarot diode und einem Fototransistor. Sobald diese Schranke unterbrochen wird, soll ein Tor fallen, sodass die maus eingesperrt ist. Ich habe es wenigstens soweit geschafft, dass das der Magnet mit strom beliefert wird aber beim testen mit der Hand viel leider nix als ich mit der hand zwischen diode und transistor hindurch ging :( und da wollte ich fragen an was dass liegen könnte? Hier is mein Schalplan: Ich musste allerdings den Magnet durch einen Relai ersetzten da dieses programm keinen hat.
Wäre schön wenn mir jemand helfen könnte!
1786_09_1.jpg
[/img]
Benutzeravatar
Sailor
Moderator
Beiträge: 9427
Registriert: Di, 28.11.06, 22:16
Wohnort: Saarland, Deutschland und die Welt

Sa, 09.06.07, 15:41

Wenn Due es genau so geschaltet hast wie es gezeichnet ist, hast Du am Relais keine Masse und am Fototransistor kein Plus.
Babapapa
User
User
Beiträge: 29
Registriert: Sa, 14.04.07, 22:46
Kontaktdaten:

Sa, 09.06.07, 15:48

Hmm das klingt logisch :( was muss ich tuhen, damit es geht? Wie meinst du dass mit Masse? Also der Magnet läuft.
Benutzeravatar
Pehu
Mega-User
Mega-User
Beiträge: 469
Registriert: Mi, 01.11.06, 19:33
Kontaktdaten:

Sa, 09.06.07, 16:22

So sollte es gehen:

Hab noch eine Diode parallel zum Relais geschaltet, ansonsten können Bauteile durch die Induktion der Relaisspule in Mitleidenschaft gezogen werden.
1014_cromaus_1.jpg
Benutzeravatar
Sailor
Moderator
Beiträge: 9427
Registriert: Di, 28.11.06, 22:16
Wohnort: Saarland, Deutschland und die Welt

Sa, 09.06.07, 16:23

Die Spule des Relais hängt doch mit dem Bein, das zu den Transistoren zeigt in sder Luft. Ebenso hängen die Transistoren über die Relaiskontakte in der Luft.

Bevor Du aber jetzt einfach weiter lötest, musst Du Dir noch Gedanken machen, wie die Transistoren geschützt werden können (Stichworte Schutzdiode und Basis-Emitter-Strom).

Aber bevor ich Dich über- oder unterfordere: wie weit kennst Du Dich mit Transistorschaltungen aus?
Babapapa
User
User
Beiträge: 29
Registriert: Sa, 14.04.07, 22:46
Kontaktdaten:

Sa, 09.06.07, 16:35

also ich kenn mich nich wirklich damit aus... aber nur zur info nochma statt dem relais ist eigentlich ein hubmagnet, ich weiß nich ob das was zur sache macht. also dass problem ist ich hab das alles schon auf einer platine... :( könnte man das trotzdem noch beheben? und wenn nich mach ichs nochma neu.. wäre auch kein problem.. ich weiß eigentlich nur dass zeug, dass ich in der schule gelernt habe.... was nich wirklich viel is :( wie haben eigentlich nur die darlington schaltung durchgenommen
Babapapa
User
User
Beiträge: 29
Registriert: Sa, 14.04.07, 22:46
Kontaktdaten:

Sa, 09.06.07, 17:04

Ahh sry leute!! Ich seh grad bei meiner Schaltung da hab ich den Relais falsch angeschlossen... das hab ich natürlich nur bei dem programm.. bei dem hubmagnet den ich habe gibt es ja nur 2 anschlüsse. und danke für eure antworten :) Muss ich denn dann noch was ändern? oder an was könnte es noch liegen? Also statt diesem Relais denkt ihr euch einfach einen hubmagneten mit dem + und - anschluss, denn hab ich bei cocodil clip leider nicht gefunden und so hab ich einfach einen Relais genommen.
RPH
Mega-User
Mega-User
Beiträge: 182
Registriert: Fr, 27.04.07, 08:13
Wohnort: Südlich v.Augsburg

Sa, 09.06.07, 21:03

Hallo Babapapa,

also selbst wenn die Schaltung richtig gezeichnet währe (hier sind einige Macken drinnen, in
der letzten Version würde ich das schon fast als Schwingkreis sehen), ist hier der Hubmagnet
dauernd bzw. oft angezogen, was unter anderem einen je nach Magnet hohen laufenden
Strombedarf für die Schaltung benötigt und warm wird er auch.

Selbst mit einem Darlington würde die Schaltung sehr wahrscheinlich nicht zufriedenstellend
funktionieren, mit einem normalen Transistor sowieso nicht wenn ich annehme, das der Hubmagnet
ja mindestens 500mA benötigt, wenn nicht noch mehr.

Es ist im Prinzip nicht sehr schwer, so eine Lichtschranke zu bauen, aber es sind schon einige Bauteile
mehr dafür erforderlich, wobei es hier wirklich so ist das Du einen Bausatz für eine IR Lichtschranke
für wenige Euro bei den bekannten Versendern bekommen kannst. (Ist auf jeden Fall günstiger!)
Hier hast Du auch einen guten Schutz gegen Fremdlicht, da ein modulierter Lichtstrahl verwendet wird, bei der oben genannten Schaltung selbst im korrekten Ausbau hast Du das leider nicht.

Bei Interesse kann ich Dir eine einfache Schaltung dafür morgen einstellen.
Babapapa
User
User
Beiträge: 29
Registriert: Sa, 14.04.07, 22:46
Kontaktdaten:

Sa, 09.06.07, 21:13

Vielen dank für die antwort! Das wäre sehr nett wenn du dass machen könntest! Ich könnte es dann beheben für den vorgesehen zeitpunkt ist es leider schon zu spät, da ich am montag die arbeit abgeben muss, denn es ist eine jahresarbeit :( naja is aber nich so schlimm gibt zwar ein bisschen abzug aber das wird nicht so schlimm sein. Ich wüsste nicht einmal ob ich fertige bausätze verwenden dürfte, wenn ja hätte ich es wohl eher in betracht gezogen.. naja ist trotzdem nett von euch mir zu helfen :)
RPH
Mega-User
Mega-User
Beiträge: 182
Registriert: Fr, 27.04.07, 08:13
Wohnort: Südlich v.Augsburg

So, 10.06.07, 09:01

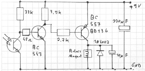
Also dann kommt hier eine funktionierende Schaltung für Dein Vorhaben.
(Man sollte halt mit der Planung und Ausführung rechtzeitig beginnen?!)

Noch einige Details dazu:
Sehr einfache IR Lichtschranke, welche bei Unterbrechung des Strahls
das Relais oder den Hubmagneten auslöst.
Das auslösende Signal ist nicht mit einer Zeitfunktion versehen, also jede
Unterbrechung führt immer wieder und sofort zu einer Auslösung des Magneten.

Die Schaltung sehr Empfindlich gegen Fremdlicht, der Sender und Empfänger sind
daher mit Schutzblenden so aufzubauen das dieses abgeblockt wird.

Es dürfte hier fast jeder Fototransistor funktionieren, z.B. BPW14, 16, 17 usw.
Der 47 Ohm Widerstand ist nicht unbedingt erforderlich und könnte entfallen.
Der zweite Transistor, der BC557 oder BD 136 (eher für Deine Anwendung)
kann je nach gewünschter Schaltleistung geändert werden.

Also dann viel Erfolg und frohes Ändern.
1845_RPH_X_02_1.jpg
Babapapa
User
User
Beiträge: 29
Registriert: Sa, 14.04.07, 22:46
Kontaktdaten:

So, 10.06.07, 12:18

Vielen dank für die mühe, die du dir gemacht hast! Ich werde versuchen es in den nexten Tagen zu ändern! nochmal zu der Lichtschranke, könnte sie dann nicht im dunkeln funktionieren? Oder sind 2 Teile einfach zu wenig? Oder könnte man den Fototransistor einfach gegen eine LDR tauschen?
RPH
Mega-User
Mega-User
Beiträge: 182
Registriert: Fr, 27.04.07, 08:13
Wohnort: Südlich v.Augsburg

So, 10.06.07, 20:21

1.) Diese Lichtschranke dürfte nur im Dunkeln funktionieren, da der
Lichtstrahl nicht moduliert ist, jede Lampe erzeugt auch IR Strahlen
und stört daher diese Schaltung. (Ausnahme: LED Licht )
Das Minimum währe, einen IR Filter vor den IR Transistor zu setzen
und das ganze Lichtdicht in ein Rohr zu montieren.
Es geht auch mit Optik, aber das würde hier zu weit führen.

2.) Mit 2 Teilen geht es einfach nicht, das Minimum währen ca. 4 oder 5
Teile, da müsste man die einzelnen Komponenten ganz genau aufeinander
abstimmen und ausrechnen und es würde nur mit diesen Teilen gehen.

3.) Ein LDR geht hier schon mal überhaupt nicht, die Empfindlichkeit ist
je nach Typ eher im sichtbaren Bereich und das Teil ist einfach zu langsam.

Wenn Du es einfacher haben willst verbaue einen Trittkontakt und mache der
Maus klar, das die da darauf zusteigen hat, aber ob das klappt glaube ich eher nicht.
Babapapa
User
User
Beiträge: 29
Registriert: Sa, 14.04.07, 22:46
Kontaktdaten:

So, 10.06.07, 20:56

hmm alles klar danke für die infos^^ dann bau ich nach der Schaltung,die du oben gepostet hast. Nur das komische ist, dass das nich mal im dunkeln funktioniert!? hmm woran das wohl liegen könnte?
RPH
Mega-User
Mega-User
Beiträge: 182
Registriert: Fr, 27.04.07, 08:13
Wohnort: Südlich v.Augsburg

So, 10.06.07, 21:05

Welche Schaltung funktioniert nicht im dunkeln ?
Die von Dir gezeichnete funktioniert wie schon oben
geschrieben leider so überhaupt nicht.
Weder im dunkeln noch im hellen.

Die gezeichnete funktioniert wenn keine kaputten
Bauteile verwendet werden mit Sicherheit.
Mit den beschriebenen Einschränkungen bezüglich Fremdlicht.
bios-service
Super-User
Super-User
Beiträge: 91
Registriert: Mi, 06.06.07, 23:50
Wohnort: Chemnitz
Kontaktdaten:

So, 10.06.07, 21:07

Babapapa hat geschrieben: Sobald diese Schranke unterbrochen wird, soll ein Tor fallen, sodass die maus eingesperrt ist.
Hast Du auch berücksichtigt, daß die Lichtschranke mit Abstand Lm hinter dem Tor positioniert sein muß?
Sonst sitz die Maus vor oder unter dem Tor 8)

(Lm = mittlere Länge der zu erwartenden Maus) :shock:
Babapapa
User
User
Beiträge: 29
Registriert: Sa, 14.04.07, 22:46
Kontaktdaten:

So, 10.06.07, 21:18

Jap das hab ich ungefähr geschätzt... funktioniert aber leider nicht mal im dunkeln^^ vielleicht sollte ich der maus ein schön eingerichtetes gehäuse geben dann bleibt sie vielleicht freiwillig drinne... Hmm hoffentlich schaff ich das mitm schaltplan ändern aber wieso dass nich im dunkeln klappt.... es ist ja egal ob ich meine Hand zum testen benutzt habe oder? Oder ist die Hand infarot durchlässig und eine Maus nicht?
bios-service
Super-User
Super-User
Beiträge: 91
Registriert: Mi, 06.06.07, 23:50
Wohnort: Chemnitz
Kontaktdaten:

So, 10.06.07, 21:26

Funktioniert ein Fototransistor überhaupt mit Infrarot? Hier ist mal ein Experte gefragt.

Mit normaler LED is klar, aber IR?

Weder Maus noch Hand lassen IR-Strahlung durch.
RPH
Mega-User
Mega-User
Beiträge: 182
Registriert: Fr, 27.04.07, 08:13
Wohnort: Südlich v.Augsburg

So, 10.06.07, 21:27

Also da mit dem IR ist so eine Sache, da es eben nicht direkt sichtbar ist.
Nimm eine Webcam oder Digiknipse und checke mal ob Deine Sendediode überhaupt geht.

Auf kurze Entfernung mit hoher Strahlungsleistung und empfindlichem Empfänger ist
eine Hand tatsächlich bedingt IR durchlässig !!
Pulsmesser am Ohr und an der Hand arbeiten mit genau diesem System.

Bios-Service:
Du verwechselst hier wohl etwas, so gut wie jedes Standard Fotoelement ist im
IR Bereich so um 850nm maximal empfindlich, es ist eher ein Problem
die maximale Empfindlichkeit in den Sichtbaren Bereich zu verlagern !
Es ist nicht direkt klar, das es mit einer normalen LED geht, das ist die Ausnahme
bzw. mit einer geringeren Empfindlichkeit.

Beispiel aus einem Datenblatt:
1845_RPH_X_03_1.jpg
Zuletzt geändert von RPH am So, 10.06.07, 21:54, insgesamt 1-mal geändert.
bios-service
Super-User
Super-User
Beiträge: 91
Registriert: Mi, 06.06.07, 23:50
Wohnort: Chemnitz
Kontaktdaten:

So, 10.06.07, 21:52

RPH hat geschrieben: Bios-Service:
Du verwechselst hier wohl etwas, so gut wie jedes Standard Fotoelement ist im
IR Bereich so um 850nm maximal empfindlich, es ist eher ein Problem
die maximale Empfindlichkeit in den Sichtbaren Bereich zu verlagern !
Es ist nicht direkt klar, das es mit einer normalen LED geht, das ist die Ausnahme
bzw. mit einer geringeren Empfindlichkeit.
oops, daß hätte ich nicht gedacht. Wieder was gelernt. Danke.

Ich hatte mir das gedanklich abgeleitet von "Lichtschranke" und IR ist ja nicht ohne weiteres sichtbar.
Babapapa
User
User
Beiträge: 29
Registriert: Sa, 14.04.07, 22:46
Kontaktdaten:

Mo, 11.06.07, 01:21

Also die IR diode und der Fototransistor sind ca 16 cm von einander entfernt. Der Verkäufer meinte, es wäre sogar eine extra starke Leistung, also dass sie besonders weit stahlt. Is das schon zu Nah aneinander? Wie kann ich anhand einer Webcam bzw digicam schauen, ob die IR Diode funktionier? Wird durch das Fotografieren die Strahlung sichtbar? oder wie mache ich das? Aber ich verstehe es trotzdem nicht ganz, da wenn die Lichtschranke nicht funktioniert würde, könnte der Magnet doch nicht mit Stromversorgt werden oder? Aber der Magnet läuft oder geht der Strom direkt die erste abzweigung nach unten?
luckylu1
Hyper-User
Hyper-User
Beiträge: 1405
Registriert: So, 29.04.07, 05:11
Wohnort: berlin

Mo, 11.06.07, 09:27

na ok, ich geb mal meinen senf dazu, ein fotowiderstand würde auch gehen, der funzt auch bis zu ein paar KHz und so schnell ist keine maus. :lol:

folgende änderungen würde ich dir vorschlagen, dann sollte es funktionieren.
als erstes lege mal den vorwiderstand von der led direkt an die betriebsspannung.
im grunde genommen fehlt nur ein bauteil, wenn mann den strom durch den fototransistor als zu gering ansieht um die basis emitter -strecke des transistors zu überlasten. und zwar musst du einen wiederstand zwischen der basis und dem emitter des transistors schalten nimm am besten 500ohm (versuch,am besten einen trimmer nehmen, siehe unten). den strahl der led solltest du etwas bündeln, den fototransistor mit einer hülse versehen, die nur nach vorne offen ist, ev. auch dort bis auf ein kleines loch von der umgebungshelligkeit etwas abschotten. wenn das so nicht funktioniert, machst du dir selbst einen darlingtontransistor aus 2 transistoren.
inbetriebnahme: (empfehlung von mir, schrittweiser aufbau mit überprüfung, ob das neu eingebaute auch funktioniert.
als erstes überprüfst du, ob die falle zuschnappt, wenn du die spannung vom magnet abtrennst.(dazu einfach den magneten direkt an die spannungsquelle anschliessen und dann einen kontakt öffnen.)wenn das so funktioniert, geht es weiter.
nur mal so als hinweis, elektronische schaltungen ohne messgerät aufzubauen, ist prinzipiell müll
um zu sehen, ob dein transistor (oder die kombination) prinzipiell funktioniert und richtig angeschlossen ist, solltest du einen widerstand von etwa 5kohm - 10kohm von der basis nach + schalten (antippen), dadurch sollte der magnet anziehen, wenn er nur zuckt, ist der widerstand zu gross zeigt aber, das es prinzipiell funktioniert und der transistor in ordnung ist, wenn sich nichts tut, solltest du das mit einem etwas kleinerem wert versuchen. wenn das dann so fonktioniert, kannst du den fototransistor einfügen und mit belichtung und abschatteng die funktion überprüfen. sollte selbst mit starker beleuchtung (taschenlampe) der magnet nicht anziehen, ist die verstärkung deines transistors zu gering, da hilft dann nur eine vergrösserung (grundsätzlich
lässt sich ein darlingtontransistor auch mit 3 transistoren aufbauen). solle der magnet anziehen und auch bei bestmöglicher abschattung nicht abfallen, kommt der oben bereits erwähnte widerstand zwischen basis und emitter
zum einsatz, am besten eignet sich dafür ein trimmer (25kohm), damit kannst du die empfindlichkeit einstellen.

und nun viel spass
Benutzeravatar
Mauz
Mega-User
Mega-User
Beiträge: 237
Registriert: Mi, 11.10.06, 15:05
Wohnort: Hildesheim

Mo, 11.06.07, 10:02

Hy,
auch wenn ich jetzt bestimmt Schande & Verachtung ernte, aber es handelt sich doch nur um eine Mausefalle!!!
Es ist natürlich eine sehr elegante Lösung, so etwas mit viel & komplizierter Technik aufzubauen & zu lösen, ohne Frage.

Wir reden hier aber nur über eine MAUS!!!
Einfach nen großen Kübel aufstellen, dort etwas Erdnussbutter/Speck zur Not auch Käse rein, eine kleine Aufstiegshilfe an der Außenseite & gut ist!! Die Maus wird in den Kübel laufen aber nicht mehr herauskommen. Ist eine sehr elegante & einfache Methode die wir bei uns schon mehrmals erfolgreich angewendet habe! Weil Mutter mag zwar Mäuse nicht, ist aber ein zu guter Mensch als ein Tier an Genickbruch sterben zu lassen.

greetz
Mauz

PS: Ich wünsche euch natürlich noch viel Erfolg bei eurer Hi-Tech Mausefalle ;) :D
luckylu1
Hyper-User
Hyper-User
Beiträge: 1405
Registriert: So, 29.04.07, 05:11
Wohnort: berlin

Mo, 11.06.07, 10:25

da magst du schon recht haben, aber hier geht es ja um die anwendung von leds und in diesem falle,
ist der weg das ziel !!!
Babapapa
User
User
Beiträge: 29
Registriert: Sa, 14.04.07, 22:46
Kontaktdaten:

Mo, 11.06.07, 10:38

Danke schonmal für die vielen antworten :D Ich werde nun ersteinmal deine tipps beherzigen mal schauen vielleicht klappt es dann :) Also die Falle die schnappt schonmal zu ich hab einfach den Schalter aus geschaltet und das funktioniert auch. Den Fototranistor abschotten das wird denk ich mal kein Problem sein. Und sobald ich den Widerstand habe werd ich diesen auch mal einbauen und dann hoffe ich wirds gehen. @Mauz auch keine schlechte Idee jedoch muss ich dass von der Schule aus machen und da muss elektrik mit rein. Aber trotzdem danke^^
Antworten