Hallo zusammen,
bin neu hier im Forum. Finde die Steuermöglichkeiten der LED's sehr interessant
und versuche als Schlosser kleine Projekte umzusetzen.
Komme jedoch relativ zügig an meine grenzen und brauche etwas hilfe.
Erstmal zu dem Projekt, was ich machen möchte.
Und zwar soll ein LED-Stripe durch ein Touchsensor (TTP223) eingeschaltet werden (sofort ohne Fade-In) und nach ca. 1-2 sek. langsam (Fade-out)
ausgehen.
Mein Problem bei der ganzen sache ist, das es ein bestimmter TTP223 Sensor seien muss. Bedingt durch Bauraum.
Undzwar ist das der rote (kleinste). Dieser läuft mit 5V. Daher kann ich die größeren Sensoren, die für 12V
ausgelegt sind nicht nehmen. Mein Netzteil was verbaut ist hat 12V.
Bislang habe ich diese Schaltpläne gesteckt. Jodoch habe ich das Problem, dass ich nicht weiß
wie ich das Fade-out mit integrieren kann.
Des Weiteren ist bei beiden Schaltungen das aktuell so. das wenn der Sensor betätigt wird, die LEDs sofort an
gehen und erst nach ca. 2-3 sek (so ein art Timer) sofort aus gehen. Ich denke das es mit dem Sonsor zu tun hat weil
die bei nicht betätigung normalerweise sofort aus gehen sollte. Tut es aber nicht.
Ich habe mal hier vier Schaltpläne angehängt. Das sind die, die ich versucht habe aber leider
alle ohne Erfolg.
Ohne ELKO funktionieren die Schaltungen wie oben beschrieben. Mit ELKO geht nichts.
Ich wäre echt dankbar, wenn jemand bei dem Projekt helfen kann.
Ich fasse nochmal zusammen:
-TPP223 läuft mit 5V Netzteil ist 12V.
-Beim betätigen des Sensors soll der Stripe sofort angehen.
-Beim wegnehmen des Fingers soll der Stripe mit Fade-Out 1-2 sek ausgehen.
Die verbauten Bauteile sollten so klein wie möglich sein aber noch Lötbar.
Der Stripe hat ca. 5 Watt (50cm) fals das auch eine Rolle spielt.
Gruß
Arif
Touchsensor TTP223 mit Fade-out an LED Strip
Moderator: T.Hoffmann
Hallo Arif,
welcome on board!
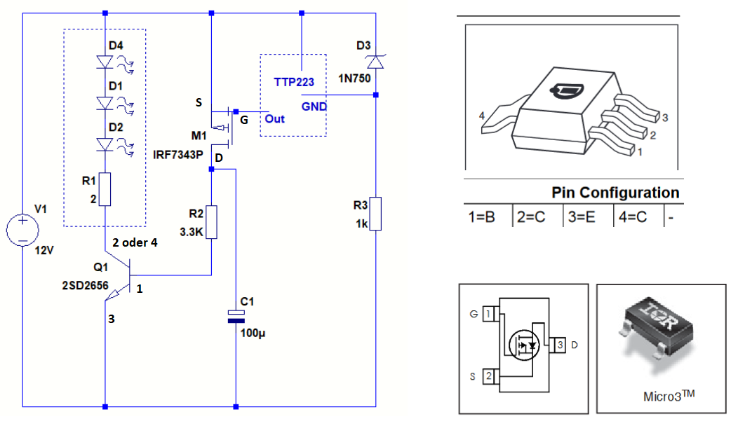
Machbar ist das, aber unter den gegebenen Umständen (5V TTL Ausgang des TTP223 und LED Streifen) nicht so einfach. Bei einem Mosfet ist der lineare Bereich (den man zum faden verwenden kann) extrem klein (weniger als 0.5V). Das kann mit mit eine Art "Emitterfolger" Schaltung trotzdem machen, aber das geht nicht, weil du dazu den Mosfet zwischen LED und Vorwiderstand schalte müsstest was aber mit den schon fertig verdrahteten Vorwiderständen auf dem Streifen nicht geht. Bleibt also ein Bipolartransistor mit halbwegs Leistung. Für halbwegs Leistung reicht aber der Strom des TTP223 nicht aus (nur 4mA) und für ein schnelles Einschalten muss der Kondensator auch möglichst schnell geladen werden. Geht also nur mit der 12V Versorgung. So könnte es gehen (statt dem 2SD2656 kannst du auch einen anderen NPN Transistor mit mind. 1A Belastbarkeit und möglichst hohem Hfe verwenden - mind. 300 z.B.: https://www.reichelt.de/bipolartransist ... ol_9&nbc=1; der P-Mosfet ist dagegen unkritisch.Jeder TTL kompatible geht; die Zenerdiode muss halt rund 5V haben) Fade out dauert mit den gegebenen Bauteilen etwa 2 Sekunden. In der Simulation sieht das so aus:
welcome on board!
Machbar ist das, aber unter den gegebenen Umständen (5V TTL Ausgang des TTP223 und LED Streifen) nicht so einfach. Bei einem Mosfet ist der lineare Bereich (den man zum faden verwenden kann) extrem klein (weniger als 0.5V). Das kann mit mit eine Art "Emitterfolger" Schaltung trotzdem machen, aber das geht nicht, weil du dazu den Mosfet zwischen LED und Vorwiderstand schalte müsstest was aber mit den schon fertig verdrahteten Vorwiderständen auf dem Streifen nicht geht. Bleibt also ein Bipolartransistor mit halbwegs Leistung. Für halbwegs Leistung reicht aber der Strom des TTP223 nicht aus (nur 4mA) und für ein schnelles Einschalten muss der Kondensator auch möglichst schnell geladen werden. Geht also nur mit der 12V Versorgung. So könnte es gehen (statt dem 2SD2656 kannst du auch einen anderen NPN Transistor mit mind. 1A Belastbarkeit und möglichst hohem Hfe verwenden - mind. 300 z.B.: https://www.reichelt.de/bipolartransist ... ol_9&nbc=1; der P-Mosfet ist dagegen unkritisch.Jeder TTL kompatible geht; die Zenerdiode muss halt rund 5V haben) Fade out dauert mit den gegebenen Bauteilen etwa 2 Sekunden. In der Simulation sieht das so aus:
Hallo Borax
danke das du mir so schnell geantwortet hast.
Hab den Schaltplan soweit verstanden. Leider hab ich aktuell die beiden Bauteile (2SD2656 und IRF7343P) nicht vor Ort.
Muss sie über I-Net bestellen da wir hier sonst keine möglichkeit haben an Elektronikteile ranzukommen.
Daher habe ich den 2SD2656 durch BD237 und den IRF7343P durch IRLML2502 ersetzt. Bin mir nicht so sicher, ob
die Spefikationen der der Bauteiel miteinander kompatibel ist.
Sobald ich alles gesteckt habe und das Natzteil angeschlossen habe, ist mein Stripe sofort an, ohne das ich
den ttp223 auslöse. Bin mir nicht sicher ob das wirklich an den Bauteilen liegt. Ich denke eigentlich nicht.
Des Weiteren finde ich den IRF7343P nicht. Habe den ..7343PBF gefunden, der hat wiederum 8 Lötstellen.
Gruß
Arif
danke das du mir so schnell geantwortet hast.
Hab den Schaltplan soweit verstanden. Leider hab ich aktuell die beiden Bauteile (2SD2656 und IRF7343P) nicht vor Ort.
Muss sie über I-Net bestellen da wir hier sonst keine möglichkeit haben an Elektronikteile ranzukommen.
Daher habe ich den 2SD2656 durch BD237 und den IRF7343P durch IRLML2502 ersetzt. Bin mir nicht so sicher, ob
die Spefikationen der der Bauteiel miteinander kompatibel ist.
Sobald ich alles gesteckt habe und das Natzteil angeschlossen habe, ist mein Stripe sofort an, ohne das ich
den ttp223 auslöse. Bin mir nicht sicher ob das wirklich an den Bauteilen liegt. Ich denke eigentlich nicht.
Des Weiteren finde ich den IRF7343P nicht. Habe den ..7343PBF gefunden, der hat wiederum 8 Lötstellen.
Gruß
Arif
Jein. Das liegt auch an der Schaltung. Du must den ttp223 'invertieren' (Lötbrücke A setzen - siehe z.B. hier: https://elektro.turanis.de/html/prj280/index.html). Sorry, hatte ich vergessen zu erwähnen. Könnte man umgehen, aber dann brauchst du noch einen Transistor mehr.Sobald ich alles gesteckt habe und das Natzteil angeschlossen habe, ist mein Stripe sofort an, ohne das ich
den ttp223 auslöse. Bin mir nicht sicher ob das wirklich an den Bauteilen liegt. Ich denke eigentlich nicht.
Was aber nicht geht ist der IRLML2502. Das ist ein N-Kanal MOSFET. Es muss aber zwingend ein P-Kanal Mosfet sein. Z.B.: IRLML 6402 (https://www.reichelt.de/mosfet-p-kanal- ... 08743.html ) Es geht aber auch jeder andere P-Kanal Mosfet mit VGS > -5V (also z.B. -4.5V) und VDS < -12V (also mind. -15V).
Den IRF7343P gibt es wohl nicht mehr. Keine Ahnung warum der in LTSpice drin ist. Der 7343PBF ist nicht geeignet (oder sagen wir mal massiv übertrieben), weil es ein Dual Mosfet ist (der enthält einen N-Kanal UND einen P-Kanal Mosfet)
Der BD237 geht, hat aber leider eine recht schwache Stromverstärkung (hFE von rund 40). Geht schon, aber damit ist der Streifen dann nicht so hell wie er sein sollte oder du reduzierst R2 von 3.3K auf 1K oder noch weniger, aber dadurch wird auch die Fade Out Zeit auf weniger als eine Sekunde verkürzt. Das ließe sich mit einem größeren Kondensator kompensieren, aber der ist dann natürlich auch voluminöser...
Wenn du mir sagst wo du bestellen willst (Reichelt, Conrad, Amazon, ebay...) dann kann ich dir ggf. was passendes raus suchen.Muss sie über I-Net bestellen
NPN Transistor: https://www.ebay.de/itm/111061607234
P-Mosfet: https://www.ebay.de/itm/360645986265
Bei Reichelt (da gibt es auch Datenblätter mit der Anschlussbelegung): https://www.reichelt.de/bipolartransist ... 41361.html und https://www.reichelt.de/mosfet-p-kanal- ... 08743.html
P-Mosfet: https://www.ebay.de/itm/360645986265
Bei Reichelt (da gibt es auch Datenblätter mit der Anschlussbelegung): https://www.reichelt.de/bipolartransist ... 41361.html und https://www.reichelt.de/mosfet-p-kanal- ... 08743.html
Hallo Borax,
habe soweit alles bestellt und vor Ort. Danke dafür.
Jedoch komme ich mit dem Datasheets der Bauteile nicht so wirklich klar.
Bei dem Transistor BDP947 habe ich 4 Anschlüsse. Bin bis heute davon ausgegangen, daß der Anschluß 4 der Kühlung des Bauteils dient... Wurde eines besseren belehrt.
So wie ich das verstehe muss ich den Anschluß 1 weglassen. Oder bin ich da falsch.
Um nochmal auf deine Zeichnung zu gehen. Ich würde das jetzt so anschließen. Hab die Zahlen bzw. Buchstaben
drauf geschrieben. Passt das so??
Danke für deine geduld.
Gruß
Arif
habe soweit alles bestellt und vor Ort. Danke dafür.
Jedoch komme ich mit dem Datasheets der Bauteile nicht so wirklich klar.
Bei dem Transistor BDP947 habe ich 4 Anschlüsse. Bin bis heute davon ausgegangen, daß der Anschluß 4 der Kühlung des Bauteils dient... Wurde eines besseren belehrt.
So wie ich das verstehe muss ich den Anschluß 1 weglassen. Oder bin ich da falsch.
Um nochmal auf deine Zeichnung zu gehen. Ich würde das jetzt so anschließen. Hab die Zahlen bzw. Buchstaben
drauf geschrieben. Passt das so??
Danke für deine geduld.
Gruß
Arif
- Dateianhänge
-
- TTP223_mit_Fade-Out_01.jpg (63.08 KiB) 10323 mal betrachtet
Nicht ganz. Bei dem Transistor sind Pin 2 und 4 identisch (beides Kollektor, engl. Collector, daher das 'C'). Da kannst du dir einen aussuchen (Pin 4 dient aber tatsächlich auch der Kühlung - auflöten solltest du den also auf alle Fälle, aber anschließen muss nicht unbedingt sein). Pin 1 ist Basis (den darfst du nicht weg lassen). Pin 3 ist der Emitter (nicht Basis). Beim Mosfet ist es richtig.
Hier noch mal mit Bild:
Hier noch mal mit Bild:
Hallo Borax,
meine bestellten Teile sind schon eine weile da. Gestern die Zeit gehat diese soweit anschzuschließen.
Beim ttp223 die Lötbrücke "A" gesetzt.
Die funktion ist soweit da. Sprich LED geht an und mit Fade-out wieder aus. Muss vielleicht noch den Kondensator auf meine bedürfnissen anpassen.
Das Problem was aktuell ist, die LED's gehen nicht komplett aus. Die sind dauerhaft in einem glimmenden zustand. Beim betätigen des Sensors gehen sie voll an, mit Fade-out auch aus bis zu dem glimmenden zusatand.
Habe mehrmals alles überprüft und auch neu gelötet (Bauteile weit von einander weg) um ungewünschte kontakte auszuschließen. Leider alles ohne Erfolg.
Irgend eine Idee, was ich da machen kann?
Gruß
Arif
meine bestellten Teile sind schon eine weile da. Gestern die Zeit gehat diese soweit anschzuschließen.
Beim ttp223 die Lötbrücke "A" gesetzt.
Die funktion ist soweit da. Sprich LED geht an und mit Fade-out wieder aus. Muss vielleicht noch den Kondensator auf meine bedürfnissen anpassen.
Das Problem was aktuell ist, die LED's gehen nicht komplett aus. Die sind dauerhaft in einem glimmenden zustand. Beim betätigen des Sensors gehen sie voll an, mit Fade-out auch aus bis zu dem glimmenden zusatand.
Habe mehrmals alles überprüft und auch neu gelötet (Bauteile weit von einander weg) um ungewünschte kontakte auszuschließen. Leider alles ohne Erfolg.
Irgend eine Idee, was ich da machen kann?
Gruß
Arif
Ja. Wenn das stört, dann musst du parallel zum Kondensator noch einen Widerstand schalten. Schätzwert wäre 33K. Wenn es wichtig ist, dass sie schnell aus gehen, dann weniger (z.B. 22K - dann musst du aber ggf. wieder die Kapazität erhöhen, weil das auch die Fade Out Zeit verkürzt), wenn sie auch ein paar mehr Sekunden glimmen dürfen dann ggf. auch 100K oder irgendwas dazwischen. Damit gehen die LEDs nach einigen Sekunden auf alle Fälle komplett aus.

